Under construction...
HALTECH INSTALLATION
Er, is this a home DIY job?
Yes. It looks fairly complicated when you first start but it's not too bad.
It helps a lot if you understand what you need to install for an
ECU to run an engine, and what the sensors and gizmos actually do!
Any tips before I go mad and start installing one of these?
Understand carefully how the E6K, or pretty much any ECU, is going to control
the engine. This will make the install and setup a lot easier. Order all the
bits you need and have them in your hands before you start or a tricky job may
turn into a long protracted nightmare.
I cannot recommend highly enough you source you electrical components from
these guys -
www.vehicle-wiring-products.co.uk . I'm sure that they will have all the
bits and pieces that you will need to complete the wiring and loom etc...
The wiring diagram supplied by Haltech I found to be confusing and poor, and
I'm conversant with wiring diagrams, I do this amongst other things for a living...
What "stuff do you need to buy in order to install and run one of
these?
- ECU - the brain
- Loom - comes with the ECU
- Water temp sensor - not essential but if you use stock one the readings
will be a "little" bit out
- Air intake temp sensor - required as the stock one is in the
AFM, and as
the AFM will be ditched an alternative is required
- MAP sensor - this in effect replaces the AFM
- Laptop - the ECU comes with a serial cable that you simply plug into a COM port
- Starting map - see below
- I would recommend purchasing a Haltech 1 wire
ISC
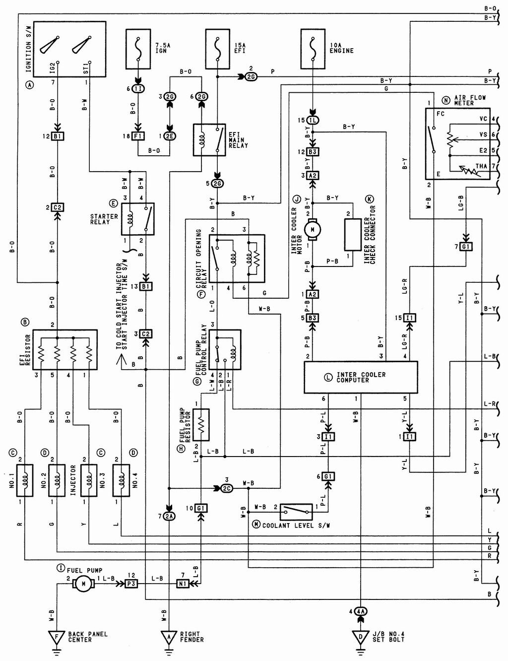
Did you do a wiring diagram?
Yes. I highly advise sitting down for a few hours and going through the
original Toyota loom wiring and then comparing this to how you will wire your
ECU and ancillaries. I think you would find trying to wire the ECU up without a
guide very very difficult.
 |
 |
 |
| The original 165 ECU wiring diagram |
The other half |
My wiring diagram |
What's all those numbers in your wiring diagram?
I installed a junction box, (JB), in the car, and then connected the loom and the ECU to the JB.
How long did it take you?
From removing original loom through to manufacturing new loom and starting
the car approx 2 full days. Before this I spend a considerable amount of time
finding out details of sensors, sourcing wiring, "bits and pieces" and wiring
diagrams.
What do all the sensors do?
In brief:
| Sensor |
Purpose |
Anything else? |
|
| Throttle position |
Informs ECU of throttle position |
|
| Air temperature |
Measures air temp entering cylinders |
- Should be mounted post IC
- Corrects fuelling i.e. more fuel for cooler temps
|
| Igniter |
Charges/fires coil |
- The length of time for coil charge can be set via ECU.
- Don't set too high or the coil/igniter may overheat
|
| MAP |
ECU uses this to determine the load on the engine |
- Replaces the AFM
- Can get different pressure ranges NB 2 bar sensor will only
measure UPTO 1bar boost, as it reads atmos press+boost=2bar. I would recommend at least a 3bar sensor
|
| Coolant |
Water temperature |
- Fuelling and ignition can be corrected with this value i.e. for
cold starting the temp will be low and more fuel needs to be added
|
| Fuel pump relay |
Switches on/off the fuel pump |
- Controlled by the ECU
- NOT to be permanently wired to the battery!
- Wired via a relay
|
| Dizzy trigger i/p |
Informs the ECU of whereabouts the engine is in it's "cycle" |
- The ECU uses this info to work out when to fire the injectors and when to fire the spark plugs
- Note these signals are in a screened cable to prevent interference
|
| Oxygen sensor |
Allows ECU to correct fuel maps based on this input |
- Allows for closed loop operation
- Can set the amount of correction applied to the base maps via software
- Not essential - but nice to have
- I have removed the oxygen sensor
|
| Boost solenoid |
Allows ECU to control boost pressure |
- The ECU can set the amount of air bled away from the wastegate actuator and therefore set boost pressure
- The boost can be mapped against rpm
- 2 maps are stored in the ECU
|
| Radiator fan |
Cools radiator/coolant |
- ECU controls when to put the fan on
- Can set what temp to come on at and when to go off
- Must be controlled via a relay
|
| Injectors |
Stick fuel into the cylinders |
- Different modes of operation can be set, sequential, batch and
staged. All very confusing, suffice to say use sequential
- Each injector has a "trim" function. This is to enrich or lean
out a specific injector - handy for cylinders 2 and 3 that run a little leaner!
|
| Road speed |
Car speed |
|
Any other points to note?
- I didn't use an ISC. This was a mistake, and I will be fitting one in
due course. The Haltech can control the stock ISC, but a firmware
upgrade is needed for the ECU, (this is free). Also the stock ISC uses 2 ECU outputs.
Haltech have an ISC that only uses 1 output, I will be installing this...
Got a handy guide how to install this thing?
Sort of...I didn't take many pictures. My method was little more
unconventional than normal installations. I placed a JB immediately by the ECU
instead of running all the wires from the ECU out into the engine bay etc. The
reason I did this was so that I can quickly monitor signals and also I have
a greater flexibility with the connections i.e. if I had fouled up then rather
than re-run a wire I could just change it over at the JB, also if I wanted to
change the configuration I was running then I just have to remove the cover and
move some wires around, rather than split the wiring loom...bit of a pain! This
also creates a very handy point for monitoring signals and picking up power
supplies for other instruments.
I have written this as a helpful guide, not a step by step guide...
 |
The complete kit looks something like
this, only the supplied wiring loom is longer. This is everything you
need - ECU, loom, air temp sensor, water temp sensor, MAP sensor, laptop
lead and replacement connectors. Bottom middle you can see the optional
boost control solenoid |
 |
Just the hardware - ECU, relays, Water
temp sensor, boost solenoid and MAP sensor. The 2 relays are required for
the fuel pump and for the radiator fan(s) |
 |
The old and new ECUs |
 |
I removed the stock ECU and the circuit
opening relay attached to the side of the ECU. Some of the wiring has to
remain in place to drive gauges etc |
 |
First up is to remove the complete loom
from the car. Unclip the 3 connectors from the ECU, remove the rubber
boot and pull this lot through into the engine bay. Unclip all the
connectors from all the sensors:
- Lambda sensor
- Aircon
- Fuel pressure VSV - only fitted to the 165
- 4 fuel injectors
- Igniter
- Fuel pump resistor pack
- Knock sensor
- EGR - if fitted
- TVIS - only on 165/185
- TVSV
- ISC
- CSI - only on 165/185
- Earth lead at rear of intake manifold
- Turbo Pressure Sensor
- Throttle position sensor
- Coil
- Fuel pump resistor
- Distributor signals - plug on bottom of dizzy housing
- Reversing light switch
- Power supply capacitor
- ECU coolant temp sensor
- Dash temp sensor
- CSI time switch
Then unplug the loom from the bottom of the main fuse and relay box -
the majority of the loom can now be removed easily |
 |
The removed loom |
 |
I took what seems to be a different
approach to most people, and installed a junction box, (JB), immediately
next to the connector for the ECU. This allows me to monitor all the
signals to/from the ECU and to simply plug in anything I want to install
e.g. gauge power supply, and ignition powered devices e.g. WI |
 |
If you now open up the loom you will see
that many of the wires are crimped together... Many of these wires are
either going to be redundant or you will be running new wires |
 |
I mounted the air temp sensor in the
hole that the CSI left under the throttle body. By carefully
manufacturing a plate it can be bolted up securely beneath the throttle body |
 |
Trial fitting the sensor... |
 |
I removed the stock ISC and fitted a
blanking plate over the bottom of the throttle body. Whilst this is
fine, on reflection this is a mistake not to run the car without any
form of idle stabilisation... |
| |
The water temp sensor is mounted in the
original hole that the old ECU water temp sensor leaves behind. I
believe this is an M12x1.5 thread, however the sensor I was supplied
with used a 1/4"? NPT thread. I simply drilled out the water elbow and
tapped this to take the new sensor. I have heard that this sensor is not
absolutely necessary to be replaced, but if the stock unit is left this
will read a few degrees out...The water temp sensor is available in the stock
water elbow thread size - just ask for it! |
 |
The loom part finished... |
 |
95% finished loom |
 |
The amount of wiring removed from the
old loom is quite surprising! |
| |
Next it is simply a matter of connecting
up the sensors etc to the newly manufactured loom, connecting the laptop,
loading in the starting map below and starting the car...good luck! |
Any other info?
A bit...
Lambda sensor
This is optional. The ECU will take an input from a wide variety of different
sensors, but this is only used to adjust the maps in the ECU, hence it is not
essential. However, this does make a useful tool when initially tuning for no
load operation at various rpm maps.
The lambda sensor has a limit of correction factor that it can apply to the base
map. Note that this is only used when at idle or a constant rpm. It is not used
during cold start either...Boost solenoid
Not essential but seems to be pretty worthwhile, and a lot cheaper than some
electronic boost controllers. This is simply a solenoid stuck in between the
wastegate actuator and the turbo hosing, similar to an
RV and the majority of
controllers. You can set a maximum boost pressure to not exceed. Boost is mappable vs rpm
in 500rpm increments. There are 2 maps to switch between that can
be stored in the ECU. I suppose with a little ingenuity a switch can be used to
manually switch between these 2 boost pressures - but I haven't looked into that
yet. At present the laptop is needed to switch between the two maps.
Idle control
This is optional! I thought I could get away with running idle via the throttle
position stop screw and bypass valve in the throttle body, and by jiggling the
cold start maps - I think I was wrong. I fully intend fitting some form of idle
control as things aren't ideal, you can get by with it, but it's just not right.
Cold idle starts a low ~650rpm, and then rises to 1k when warm. A degree of
control is available to improve this e.g. coolant vs ignition timing and fuel -
but I simply believe that the engine just needs more air and fuel when cold.Radiator fan
The ECU can set at what temperature this comes on and goes off. It seems that
somewhere around the thermostat temperature makes for good operation. The ECU
activates a relay in order to cut the fan in.
Road speed
I don't know what the ECU uses this info for...I picked this signal up from the
wiring to the old ECU. It seems that this signal is derived from the dash
assembly...Injector resistors
The stock ECU drives the injectors via a resistor pack. This is used to limit
the current drawn by the injectors, since they are low impedance injectors
~3ohm. I utilised this resistor pack in my loom. When I re-wire the loom I will
probably remove this and sink the injector current directly to the ECU. The ECU
has the ability to sink fairly large currents and will reliably cope with the
current.
What about maps?
Here are a couple of maps, with the basic settings enabling you to start the
car...
 |
Maps coming... |
 |
 |
| Starting maps |
Tweeked maps. Note the fuel and
coolant will probably be inaccurate for your application, but other settings may be useful |
Current fuel map, by no means finished |
Current ignition map, same as fuel
map - needs a lot more work |
I ran the starting map for approx 2 weeks at <5psi boost until I could verify
that the maps were safe at the tuners. The map was pretty much rich all over,
except in a couple of fairly low load areas on 3k-4k maps where it was very lean
i.e. 19:1. The timing was fine,
except in the 3k area where this was too far advanced and produced mild
detonation. The car was mapped for 14psi on a 48mm hybrid CT26 turbo.
The manual is a bit vague, have you got any more info on these
settings?
Yes. Hopefully what I'm writing is accurate, and can be found
here
How are you getting on with this ECU?
Hmmmm. Most people will have a slightly tainted view, and swear blind that
their ECU is the best etc etc. I am trying to remain very objective in my
findings and cut the waffle - this ECU seems pretty good, costs less than
others, but I do not have
a direct comparison. One of the most appealing things is that the ECU can be
setup by an enthusiast at home, whereas other manufacturers will not release
their software and/or you require specialist leads and equipment to program the
damn thing! Whilst this prevents "tweeking" it can also prove very costly as a
trip to the tuners may be necessary to sort that niggling cold start problem, or
a small adjustment to the maps etc.
I have learnt a lot from installing this and tuning it, and the more I learn
the more important I find it is to get the thing setup properly. I found that
not a lot of info is around for correctly setting up the different values, and I
have learnt by trial and error what's the correct way...I hope I am now on the
correct path! I will post my findings here as I learn more. Time will tell if I
get it right...